來源:遠東泵業 發布日期
2020-05-16 08:53 瀏覽:-遠東泵業35年專注高溫熔體齒輪泵,高精度熔體計量泵,熔噴機計量泵,熔噴布泵,擠出機專用熔體泵,熔噴布專用計量泵,口罩機專用計量泵,熔噴無紡布泵生產廠家,生產的常規型號規格有:20CC 30CC 50CC 100CC高精度熔體計量泵。

上圖為高溫熔噴布計量泵
遠東泵業是一家熔噴布計量泵、熔噴布換網過濾器設備提供商,為國內熔噴無紡布生產企業提供的計量、過濾設備。因目前市場對口罩供不應求,導致作為口罩的核心原料熔噴布已經無法滿足市場需求。一些有條件的企業,開始轉產熔噴布生產,這就了市場對熔噴布相關設備需求。

上圖為螺桿擠出機與高溫熔噴布泵選型配置表
熔噴布計量泵
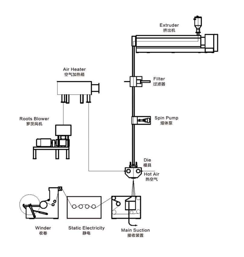
遠東泵業為滿足市場對熔噴布計量泵、熔噴布換網器的需求,工廠現在實行兩班倒,大限度的滿足熔噴布生產企業的需求。熔噴布生產工藝流程:原材料---->熔融擠出---->過濾---->計量(熔噴布專用計量泵)---->空氣加熱壓縮---->熔噴---->成網---->收卷。


熔噴布生產工藝
其中過濾是指,通過換網過濾器將熔體中的雜質過濾掉,以免堵塞噴絲孔。計量是指,精確計量,控制產量和纖維的細度,將熔體連續均勻輸送到噴絲頭。熔噴布計量泵還具有穩定輸出壓力、提高產品質量、提高擠出產量、降低單位能耗等優勢。如果您想咨詢熔噴布計量泵、熔噴布換網過濾器,請咨詢我們24小時服務熱線020-82375311
遠東泵業作為一家提供熔噴生產線上用熔噴布計量泵和熔噴換網器的高新技術企業,針對國內市場對熔噴布生產設備的需求,遠東泵業早已經制定出熔噴生產線上用,熔噴布計量泵(PP熔噴計量泵、聚丙烯計量泵)和熔噴布換網過濾器的具體標準配置,以滿足不同寬幅的熔噴布生產需求。
遠東泵業提供的熔噴布計量泵具體型號為BART系列,提供的熔噴布換網過濾器型號為ZB系列,適合生產的熔噴布寬度為600mm、1200mm、1600mm、2400mm、3200mm。 熔噴布計量泵在熔噴生產線上的作用是:精確計量,控制產量和纖維的細度,將熔體連續均勻輸送到噴絲頭,這一環節是生產熔噴布的關鍵,決定熔噴布的品質。熔噴布生產線中如果沒有安裝熔噴計量泵和熔噴換網過濾器,熔噴布產品的品質是沒有辦法達到檢驗要求的。
熔噴布計量泵技術參數

熔噴布計量泵的泵體采用高溫工具鋼,加熱系統采用電加熱,密封采用螺旋密封加軸端水冷卻。熔噴布換網器主體經特制合金材料經過嚴格的鍛打、表面熱處理和精密的金屬加工工藝而成;熔噴布換網過濾器還采用高質量的熱處理工藝和嚴格質量控制體系,確保熔噴布換網器使用的穩定性和耐久性。遠東泵業近些年為國內無紡布裝備制造企業提供了大批定制化的熔噴布計量泵,具有無脈動、計量準確、壽命長等優勢。




遠東泵業30多年來一直堅持為客戶創造價值!
我們在努力了解您的需求,遠東泵業提供給您的不僅僅是產品,還有的流體輸送解決方案。為你解決流體輸送的難題,讓你省心又省力!如果有任何關于流體輸送泵的疑問,請立即撥打遠東泵業免費咨詢熱線:020-82375311,我們會為您提供貼心的服務!
全國服務熱線:020-82375311
聯系電話:020-82375311
傳真:020-82386622
聯系QQ:2853715911
公司地址:廣州市黃埔區黃埔東路621號
【本文標簽】:高溫熔體齒輪泵 高精度熔體計量泵 熔噴機計量泵 熔噴布泵 擠出機專用熔體泵 熔噴布專用計量泵 口罩機專用計量泵 熔噴無紡布泵
【責任編輯】:遠東泵業 版權所有:http://www.businesstianjin.com.cn/轉載請注明出處